Diagram Sections: 225BETOL (1995)
Download as PDF-
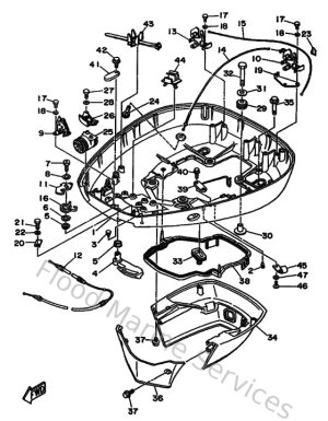
Bottom Cowling
-
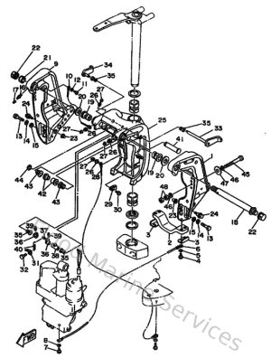
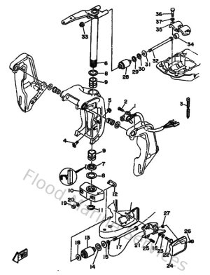
Bracket 1
-
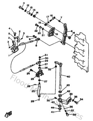
Bracket 2
-
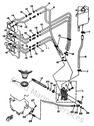
Carburetor
-
Controller 1
-
Crankshaft & Piston
-
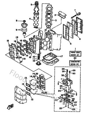
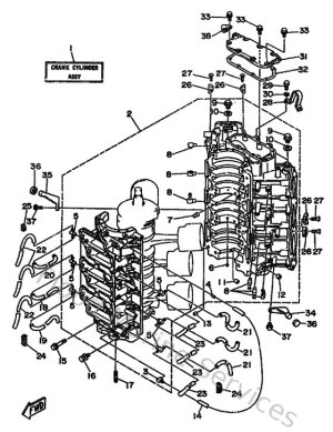
Cylinder & Crankcase 1
-
Cylinder & Crankcase 2
-
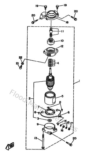
Demarreur Electrique
-
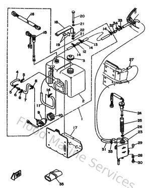
Fuel
-
Generatrice
-
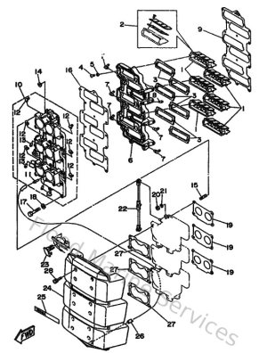
Intake
-
Kits De Reparation 1
-
Kits De Reparation 2
-
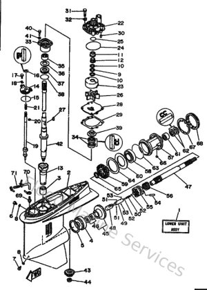
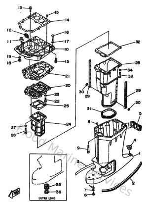
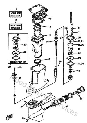
Lower Casing & Drive
-
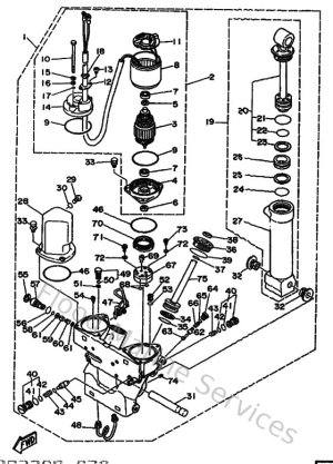
Oil Pump
-
Oil Tank
-
Partie Electrique 1
-
Partie Electrique 2
-
Partie Electrique 3
-
Power Trim & Tilt Assy
-
Top Cowling
-
Upper Casing