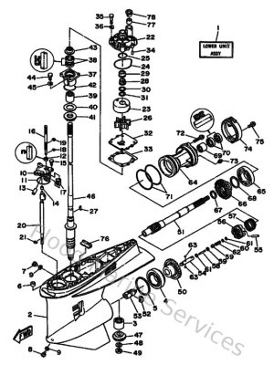
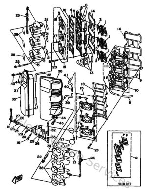
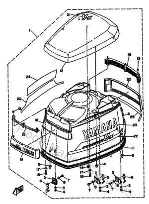
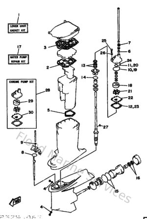
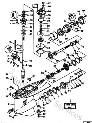
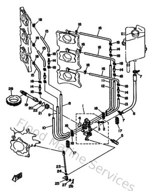
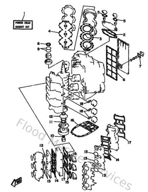
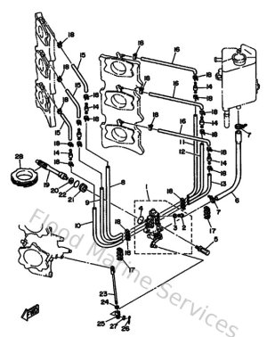
Diagram Sections: 225CETOL (1995)

Download as PDF