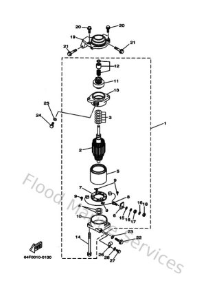
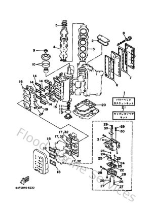
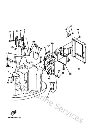
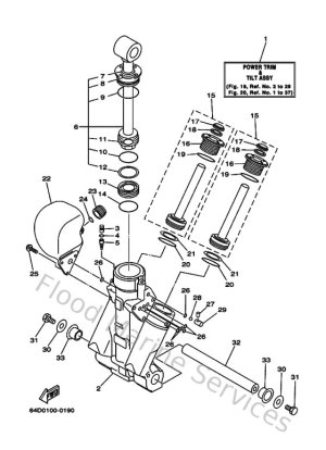
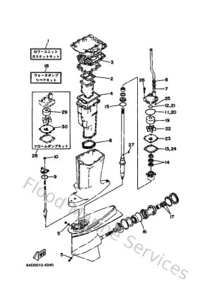
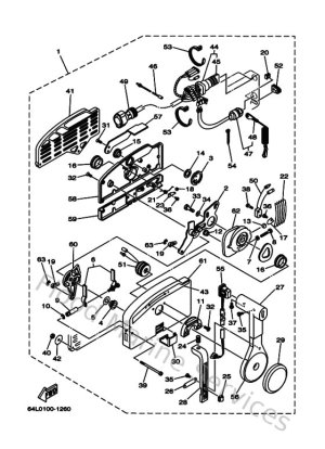
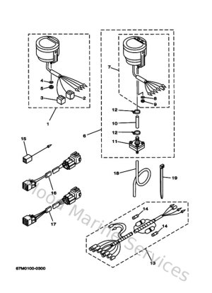
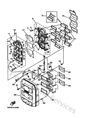
Diagram Sections: 225DETOL (2001)

Download as PDF