Diagram Sections: 250BETOXL (2000)
Download as PDF-
Bottom Cowling
-
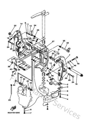
Bracket 1
-
Bracket 2
-
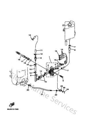
Control
-
Crankshaft & Piston
-
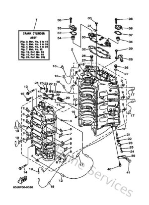
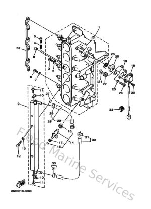
Cylinder & Crankcase
-
Cylinder & Crankcase 2
-
Electrical 1
-
Electrical 2
-
Electrical 3
-
Electrical 4
-
Fuel
-
Fuel 2
-
Fuel Injection Nozzle
-
Fuel Injection Pump
-
Generator
-
Intake
-
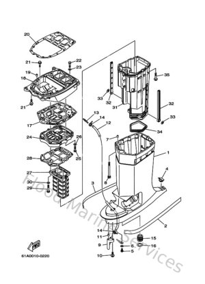
Lower Casing & Drive 1
-
Lower Casing & Drive 2
-
Meter
-
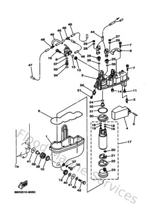
Oil Pump
-
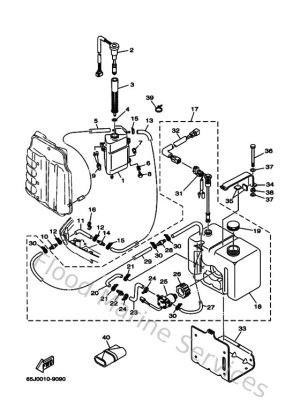
Oil Tank
-
Power Trim & Tilt Assy
-
Remote Control Assy 1
-
Remote Control Box
-
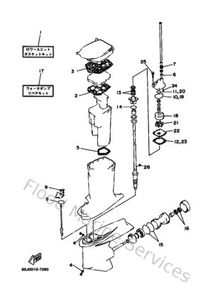
Repair Kit 1
-
Repair Kit 2
-
Starting Motor
-
Steering Guide Attachment 1
-
Top Cowling
-
Upper Casing