New Search
Parts
New Outboards
Diagram Sections: 25BMH (1994)
Download as PDF
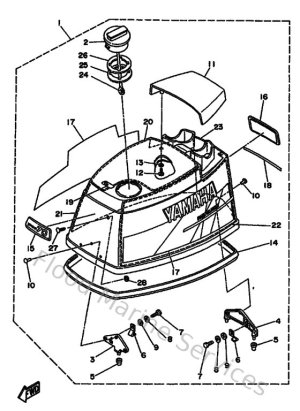
Bottom Cowling
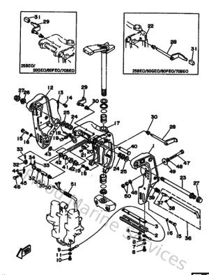
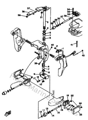
Bracket 1
Bracket 2
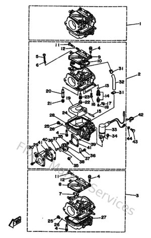
Carburetor
Control
Crankshaft & Piston
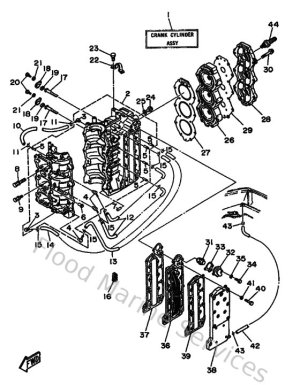
Cylinder & Crankcase
Demarreur Electrique
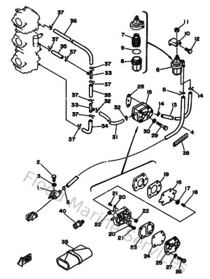
Fuel 1
Generatrice
Incliner Manuel
Intake
Kits De Reparation 1
Kits De Reparation 2
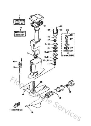
Lower Casing & Drive
Oil Pump
Partie Electrique 1
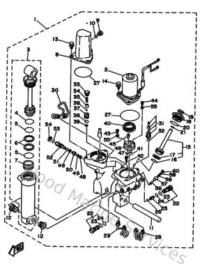
Power Trim & Tilt Assy
Top Cowling
Upper Casing