New Search
Parts
New Outboards
Diagram Sections: 25BMH (1995)
Download as PDF
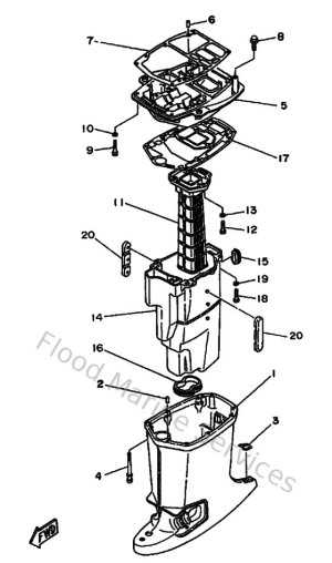
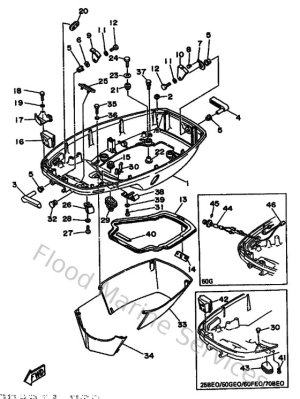
Bottom Cowling
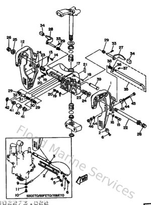
Bracket 1
Bracket 2
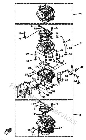
Carburetor
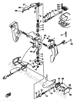
Control
Crankshaft & Piston
Cylinder & Crankcase
Demarreur Electrique
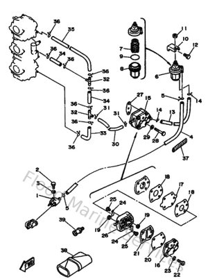
Fuel 1
Generatrice
Incliner Manuel
Intake
Kits De Reparation 1
Kits De Reparation 2
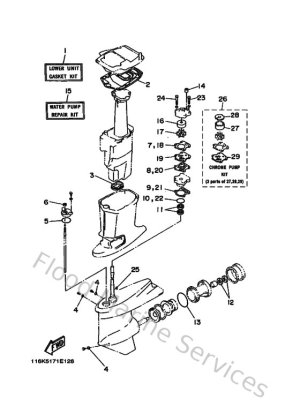
Lower Casing & Drive
Oil Pump
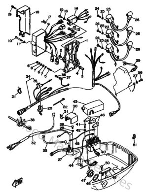
Partie Electrique 1
Power Trim & Tilt Assy
Top Cowling
Upper Casing