New Search
Parts
New Outboards
Diagram Sections: 25BMH (2001)
Download as PDF
Bottom Cowling
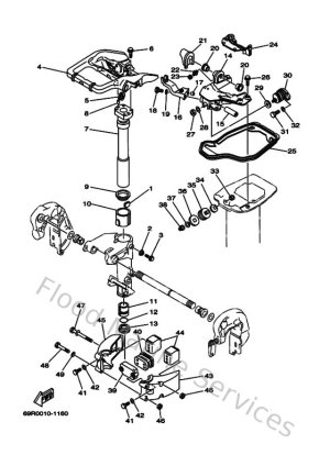
Bracket 1
Bracket 2
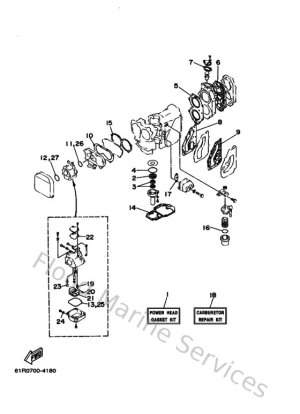
Carburetor
Control
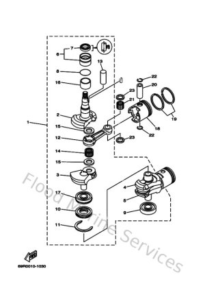
Crankshaft & Piston
Cylinder & Crankcase
Electrical 1
Electrical 2
Fuel
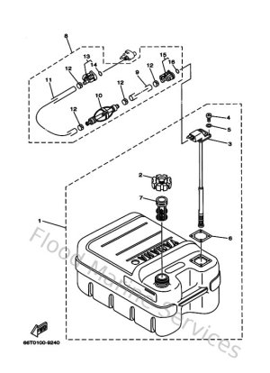
Fuel Tank
Fuel Tank 2
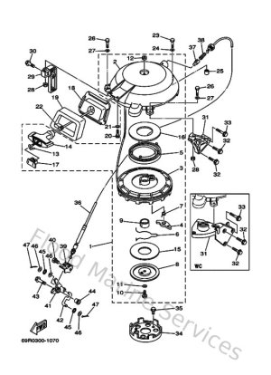
Generator
Intake
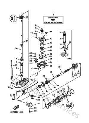
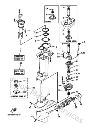
Lower Casing & Drive 1
Lower Casing & Drive 2
Repair Kit 1
Repair Kit 2
Starter
Steering
Top Cowling
Upper Casing