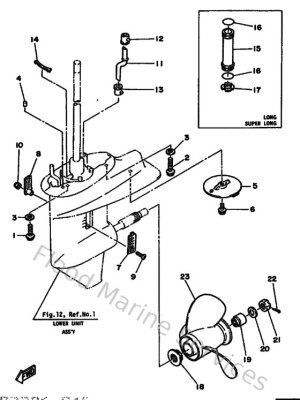
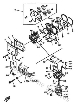
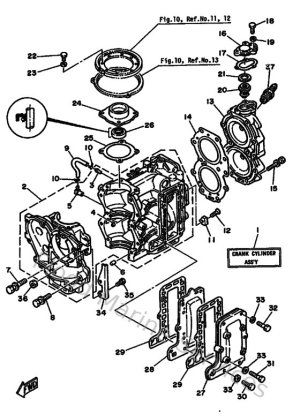
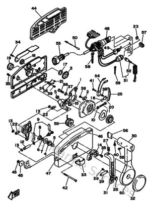
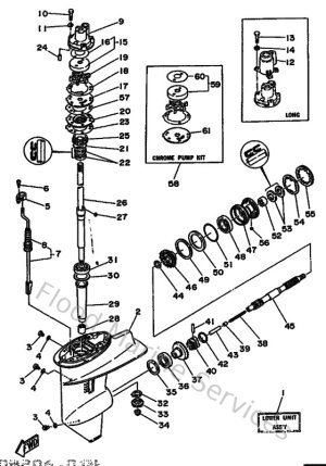
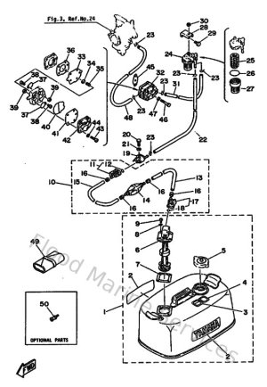
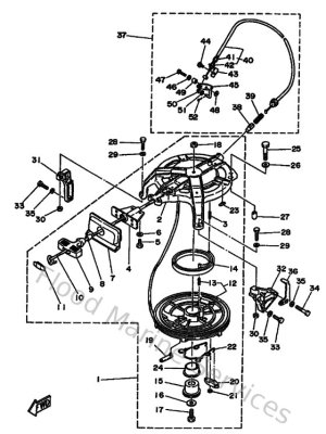
Diagram Sections: 25DMH (1986)

Download as PDF