Diagram Sections: 25DMH (1987)
Download as PDF-
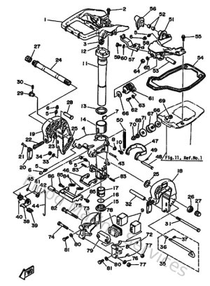
Bottom Cowling
-
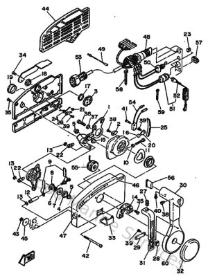
Bracket
-
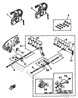
Control
-
Crankshaft & Piston
-
Cylinder & Crankcase
-
Electric Motor
-
Electric Parts
-
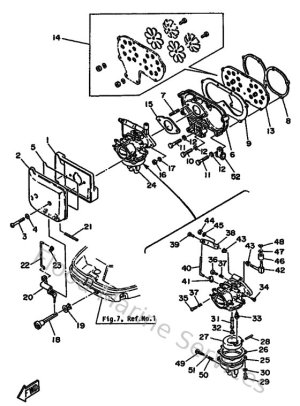
Fuel
-
Intake
-
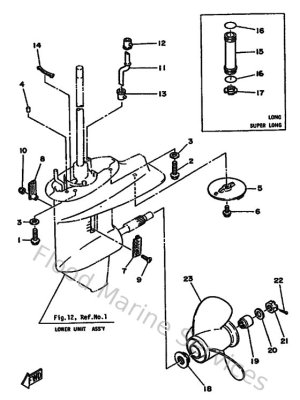
Lower Casing & Drive 1
-
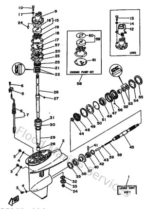
Lower Casing & Drive 2
-
Magneto
-
Optional Parts 1
-
Optional Parts 2
-
Optional Parts 3
-
Optional Parts 4
-
Remote Control
-
Remote Control Assy
-
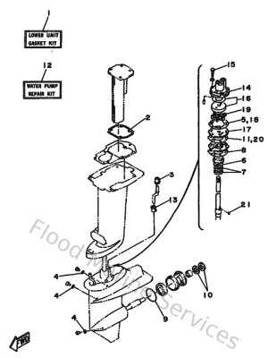
Repair Kit 1
-
Repair Kit 2
-
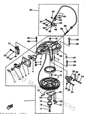
Starter
-
Steering
-
Steering Guide
-
Top Cowling
-
Upper Casing