New Search
Parts
New Outboards
Diagram Sections: 25DMH (1998)
Download as PDF
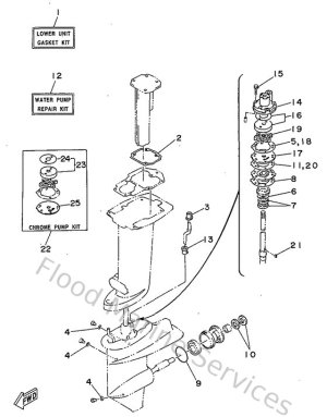
Boitier Dhelice, Transmissio
Bracket 1
Capot Infprieur
Capot Supprieur
Controle
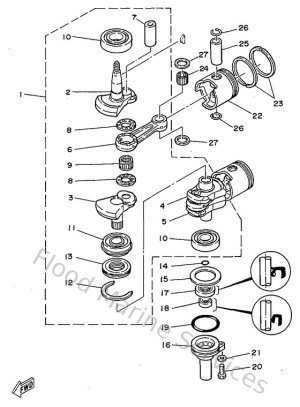
Crankshaft & Piston
Cylinder. Crankcase
Electrical 1
Fuel
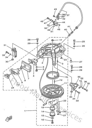
Generator
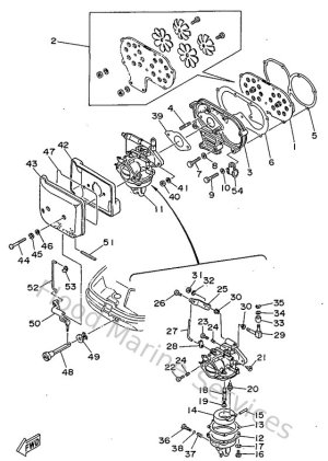
Intake
Repair Kit 1
Repair Kit 2
Starter
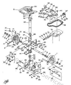
Steering
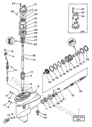
Upper Casing