Diagram Sections: 25JETO (1989)
Download as PDF-
Alternate 1
-
Alternate 2
-
Alternate 3
-
Alternate 4
-
Bottom Cowling
-
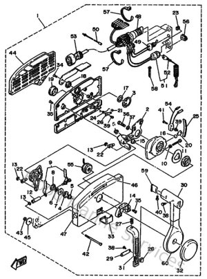
Bracket 1
-
Bracket 2
-
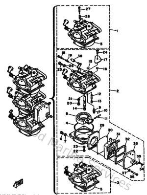
Carburetor
-
Control
-
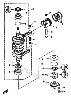
Crankshaft & Piston
-
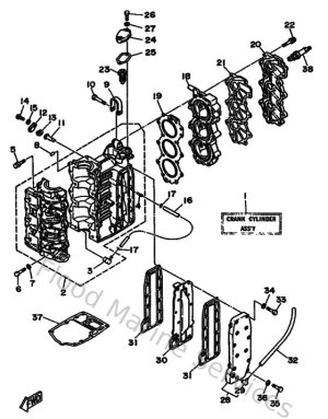
Cylinder & Crankcase
-
Electrical 1
-
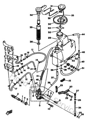
Fuel
-
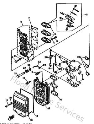
Intake
-
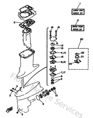
Lower Casing & Drive 1
-
Lower Casing & Drive 2
-
Magneto
-
Oil Pump
-
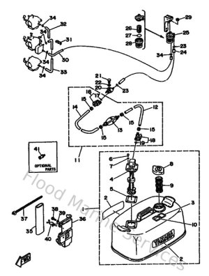
Optional Parts 1
-
Optional Parts 2
-
Optional Parts 3
-
Optional Parts 4
-
Remo Con Attachment
-
Remote Control
-
Remote Control Assy 1
-
Remote Control Assy 2
-
Repair Kit 1
-
Repair Kit 2
-
Starter
-
Steering
-
Steering Guide Attachment 1
-
Top Cowling
-
Upper Casing