Diagram Sections: 25JETO (1994)
Download as PDF-
Bottom Cowling
-
Bracket 1
-
Bracket 2
-
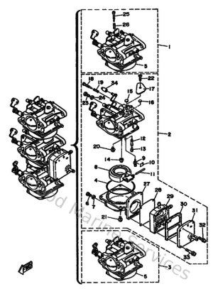
Carburetor
-
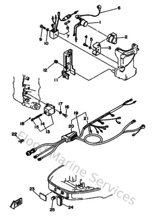
Control
-
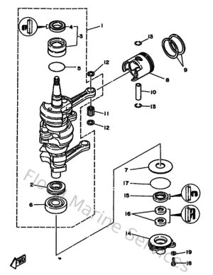
Crankshaft & Piston
-
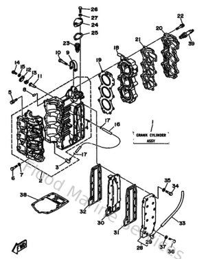
Cylinder & Crankcase
-
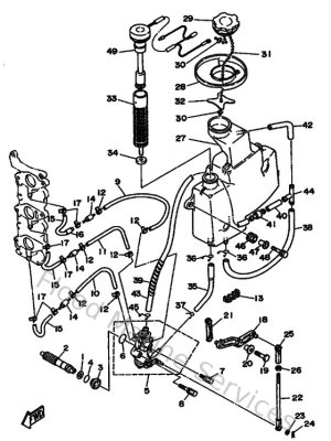
Fuel
-
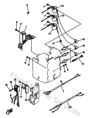
Generator
-
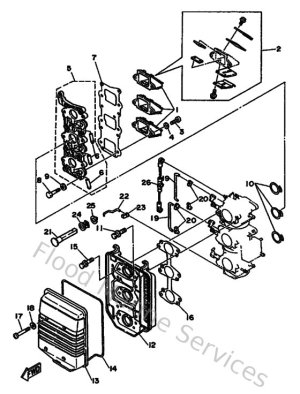
Intake
-
Kits De Reparation 1
-
Kits De Reparation 2
-
Lower Casing & Drive
-
Oil Pump
-
Optionnelles 1
-
Optionnelles 2
-
Partie Electrique 1
-
Remo Con Attachment
-
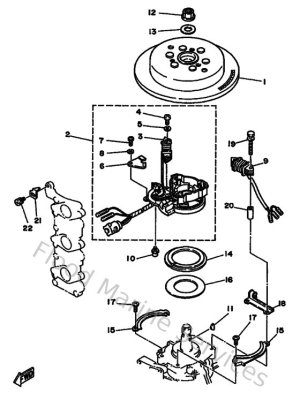
Starter
-
Steering
-
Top Cowling
-
Upper Casing