Diagram Sections: 25JETO (1996)
Download as PDF-
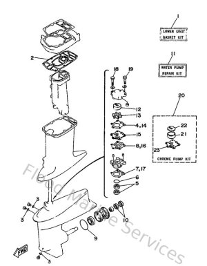
Alternate 1 (25JEO/30DEO)
-
Alternate 2 (25JEO/30DEO)
-
Boitier Dhelice, Transmissio
-
Bracket 1
-
Bracket 2
-
Capot Infprieur
-
Capot Supprieur
-
Carburetor
-
Comm&e A Distance (30DRO)
-
Control
-
Crankshaft & Piston
-
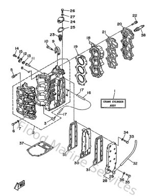
Cylinder. Crankcase
-
Electrical 1
-
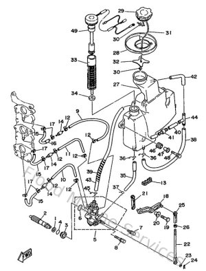
Fuel
-
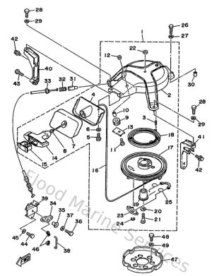
Generator
-
Intake
-
Oil Pump
-
Repair Kit 1
-
Repair Kit 2
-
Starter
-
Steering
-
Upper Casing