New Search
Parts
New Outboards
Diagram Sections: 25JETO (1997)
Download as PDF
Bottom Cowling
Bracket 1
Bracket 2
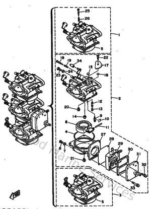
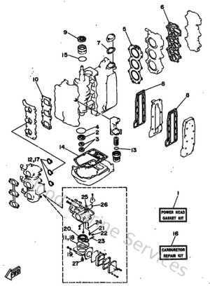
Carburetor
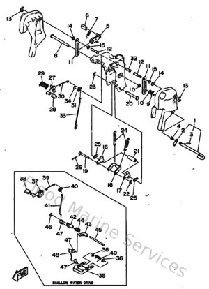
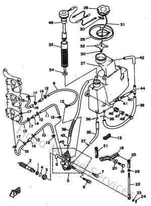
Control
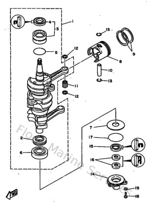
Crankshaft & Piston
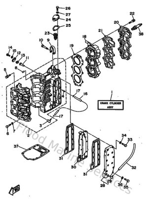
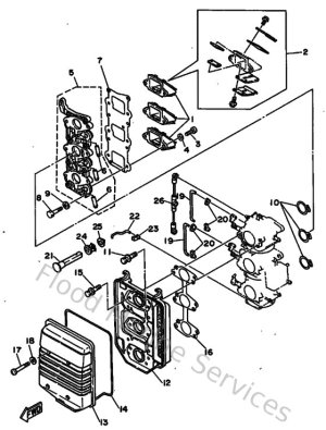
Cylinder & Crankcase
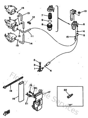
Fuel
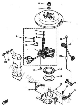
Generatrice
Intake
Kits De Reparation 1
Kits De Reparation 2
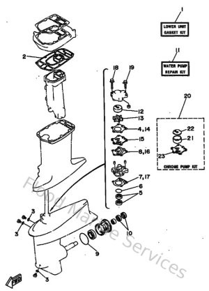
Lower Casing & Drive
Oil Pump
Optionnelles 1
Optionnelles 2
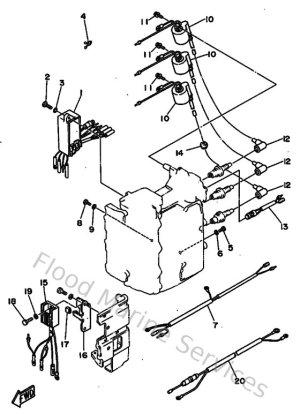
Partie Electrique 1
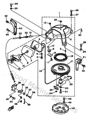
Starter
Steering
Top Cowling
Upper Casing