New Search
Parts
New Outboards
Diagram Sections: 25JETO (1998)
Download as PDF
Bottom Cowling
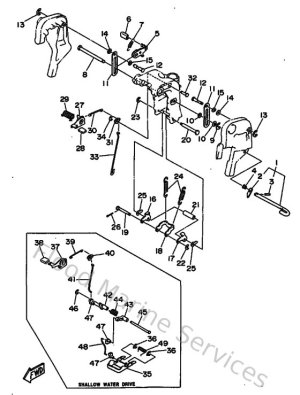
Bracket 1
Bracket 2
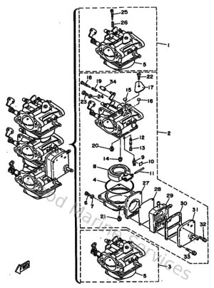
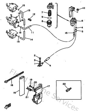
Carburetor
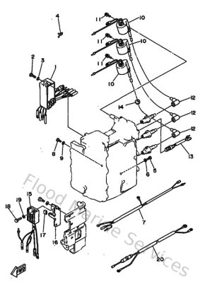
Controller 1
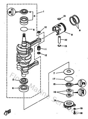
Crankshaft & Piston
Cylinder & Crankcase
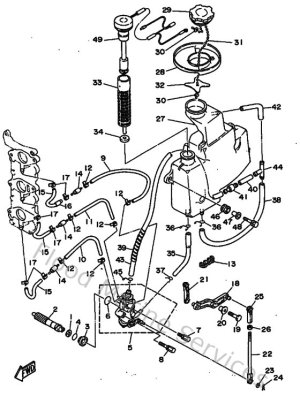
Fuel
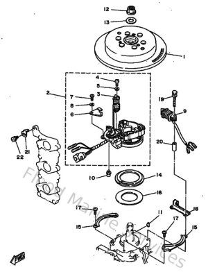
Generatrice
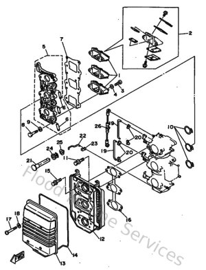
Intake
Kits De Reparation 1
Kits De Reparation 2
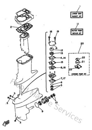
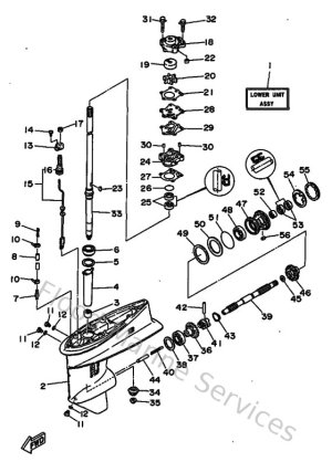
Lower Casing & Drive
Oil Pump
Optionnelles 1
Optionnelles 2
Partie Electrique 1
Starter
Steering
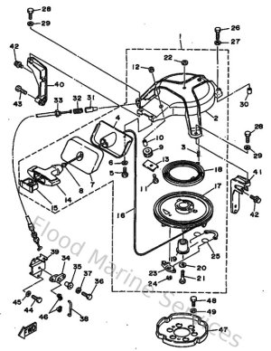
Top Cowling
Upper Casing