New Search
Parts
New Outboards
Diagram Sections: 25JETO (2001)
Download as PDF
Bottom Cowling
Bracket 1
Bracket 2
Carburetor
Control
Crankshaft & Piston
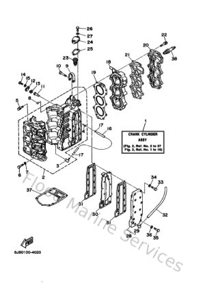
Cylinder & Crankcase
Electrical 1
Fuel
Fuel 2
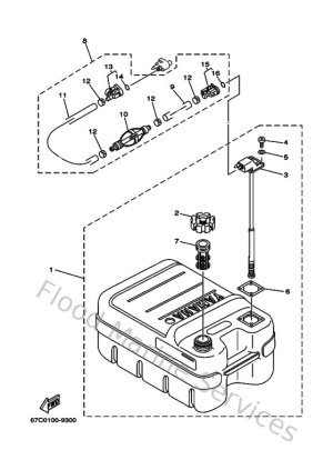
Fuel Tank
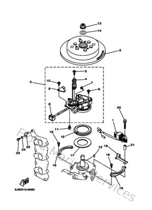
Generator
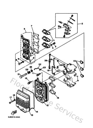
Intake
Lower Casing & Drive 1
Lower Casing & Drive 2
Remo Con Attachment
Repair Kit 1
Repair Kit 2
Starter
Steering
Top Cowling
Upper Casing