New Search
Parts
New Outboards
Diagram Sections: 25NEMO (1997)
Download as PDF
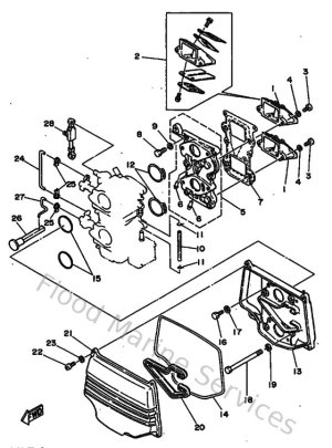
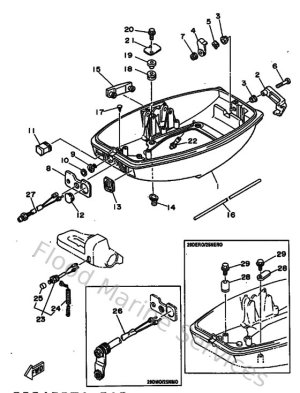
Bottom Cowling
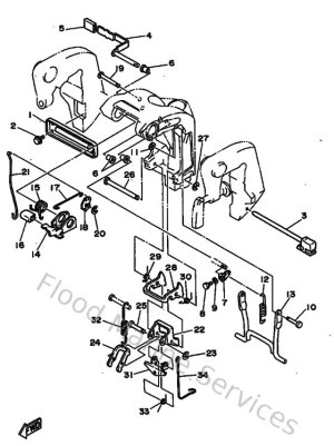
Bracket 1
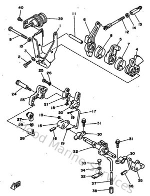
Bracket 2
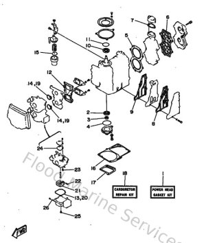
Carburetor
Control
Crankshaft & Piston
Cylinder & Crankcase
Fuel
Generatrice
Intake
Kits De Reparation 1
Kits De Reparation 2
Lower Casing & Drive
Oil Pump
Optionnelles 1
Optionnelles 2
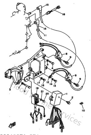
Partie Electrique 1
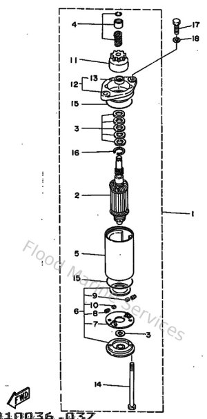
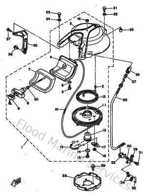
Starter
Steering
Top Cowling
Upper Casing