New Search
Parts
New Outboards
Diagram Sections: 25NMHO (1995)
Download as PDF
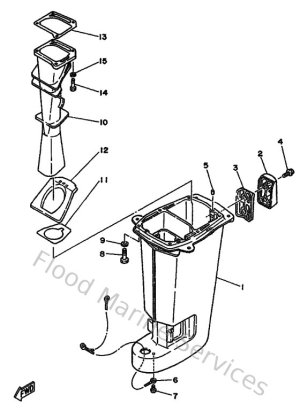
Bottom Cowling
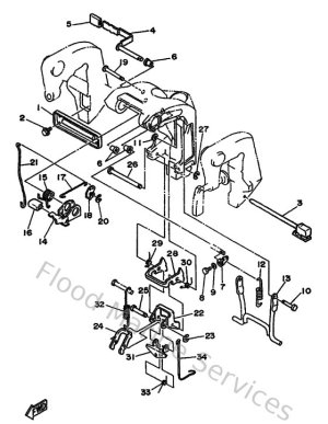
Bracket 1
Bracket 2
Carburetor
Controller 1
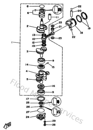
Crankshaft & Piston
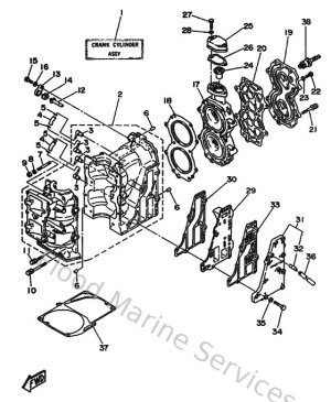
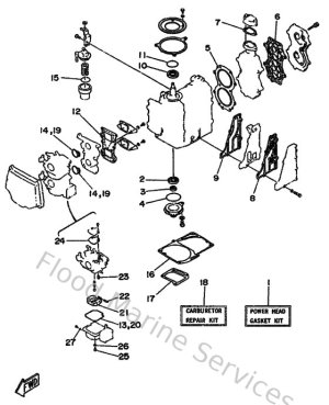
Cylinder
Fuel
Generatrice
Intake
Kits De Reparation 1
Kits De Reparation 2
Lower Casing & Drive
Oil Pump
Optionnelles 1
Optionnelles 2
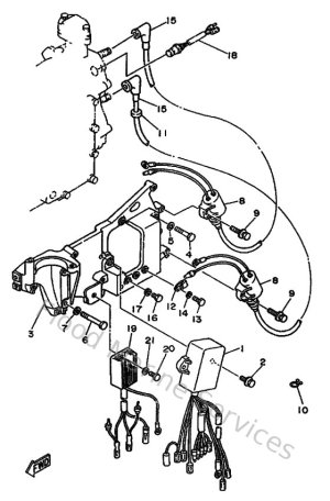
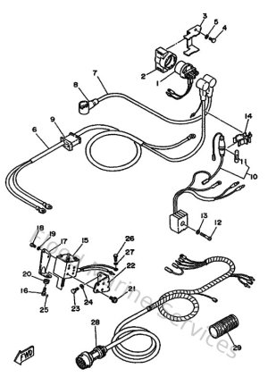
Partie Electrique 1
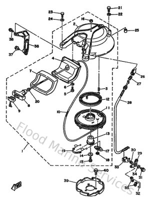
Starter
Steering
Top Cowling
Upper Casing