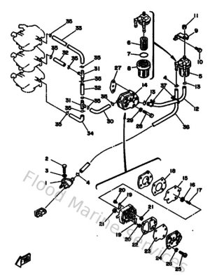
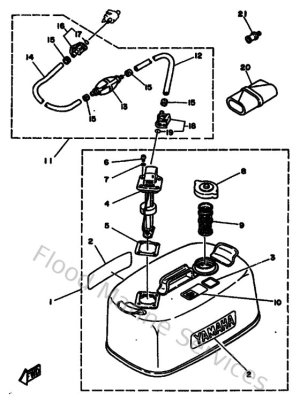
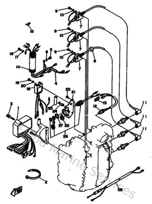
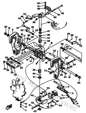
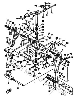
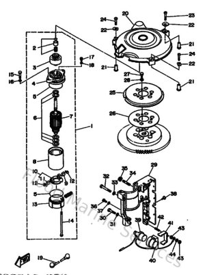
Diagram Sections: 25QEO (1992)

Download as PDF