Diagram Sections: 25QEO (1997)
Download as PDF-
Alternate 1 (DEMARR. ELEC.CPLT.:30GE)
-
Alternate 2 (PARTIE ELEC.:30GE)
-
Alternate 3 (PEU PROFOND DEAU)
-
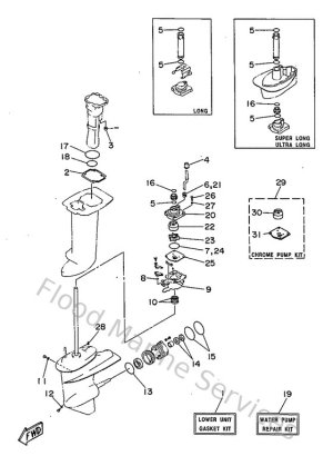
Boitier Dhelice, Transmissio
-
Bottom Cowling
-
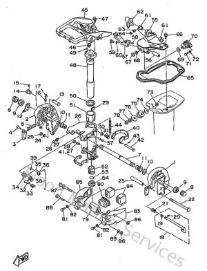
Bracket 1
-
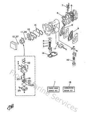
Carburetor
-
Control
-
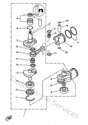
Crankshaft & Piston
-
Cylinder. Crankcase
-
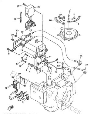
Electrical 1
-
Fuel
-
Generator
-
Intake
-
Repair Kit 1
-
Repair Kit 2
-
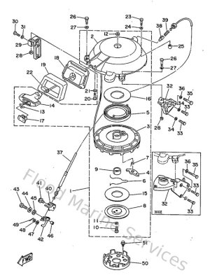
Starter
-
Steering
-
Top Cowling
-
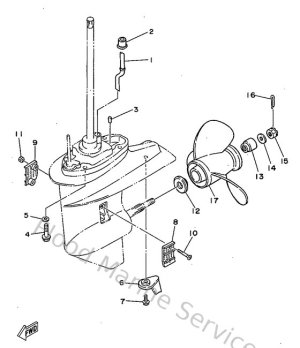
Upper Casing