New Search
Parts
New Outboards
Diagram Sections: 25VMH (1996)
Download as PDF
Bottom Cowling
Bracket 1
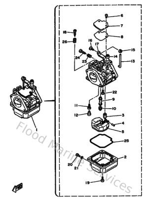
Carburetor
Control
Crankshaft & Piston
Cylinder & Crankcase
Fuel
Generator
Intake
Kits De Reparation 1
Kits De Reparation 2
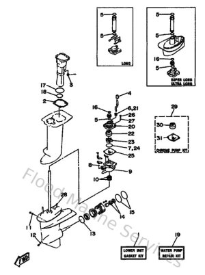
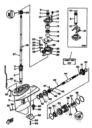
Lower Casing & Drive
Optionnelles 1
Optionnelles 2
Optionnelles 3
Partie Electrique 1
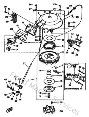
Starter
Steering
Top Cowling
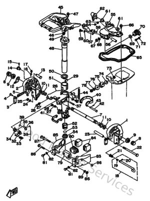
Upper Casing