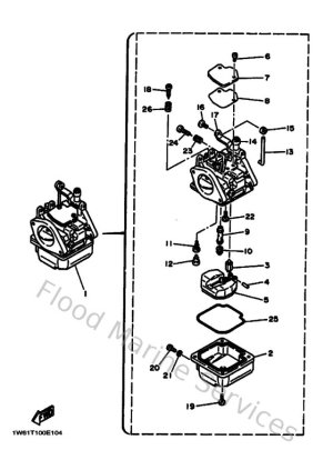
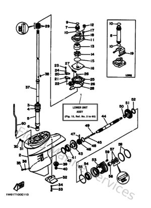
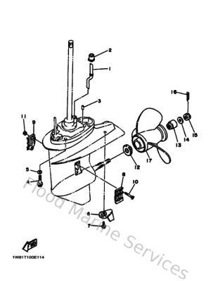
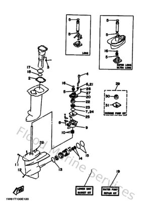
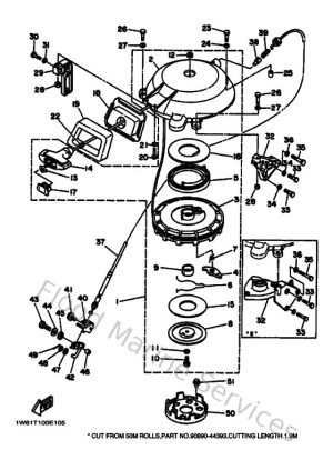
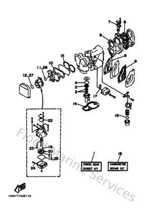
Diagram Sections: 25VMH (1998)

Download as PDF