New Search
Parts
New Outboards
Diagram Sections: 2BMH (1990)
Download as PDF
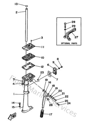
Bracket
Carburetor
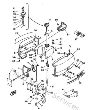
Cowling & Fuel
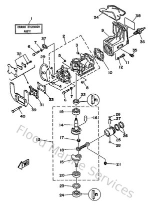
Cylinder & Crankcase
Cylinder. Crankcase
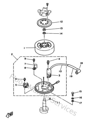
Generator
Lower Casing & Drive 1
Lower Casing Drive 1
Repair Kit
Starter
Upper Casing