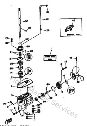
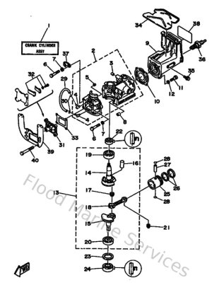
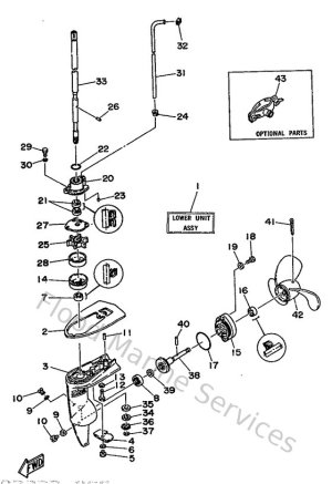
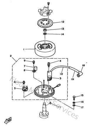
Diagram Sections: 2BMH (1993)

Download as PDF