New Search
Parts
New Outboards
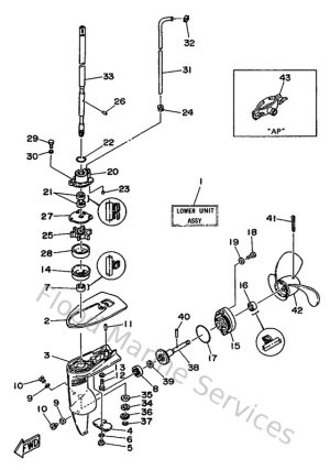
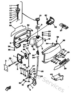
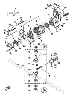
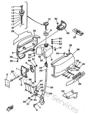
Diagram Sections: 2BMH (1995)
Download as PDF
Boitier Dhelice, Transmissio
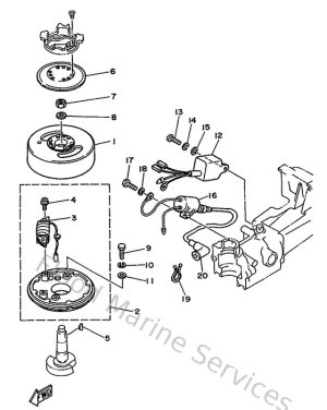
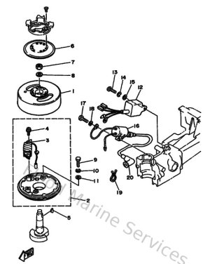
Bracket 1
Capot, Section Dalimentation
Carburetor
Cowling & Fuel
Cylinder & Crankcase
Cylinder. Crankcase
Generator
Generatrice
Kits De Reparation
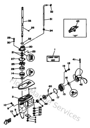
Lower Casing & Drive
Starter
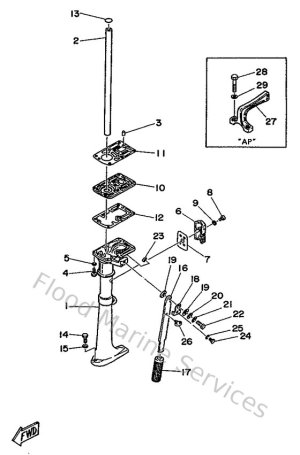
Upper Casing