New Search
Parts
New Outboards
Diagram Sections: 2BMH (1998)
Download as PDF
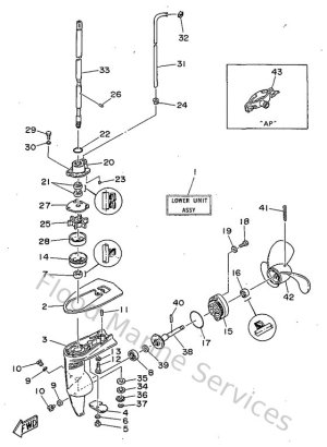
Boitier Dhelice, Transmissio
Bracket 1
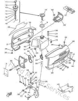
Capot, Section Dalimentation
Carburetor
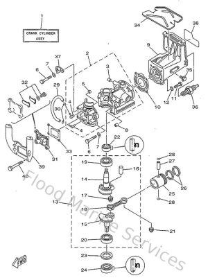
Cylinder. Crankcase
Generator
Repair Kit
Starter
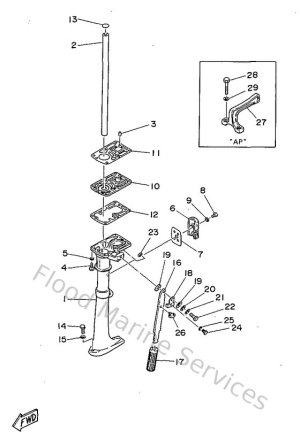
Upper Casing