New Search
Parts
New Outboards
Diagram Sections: 2BMH (1999)
Download as PDF
Bracket 1
Carburetor
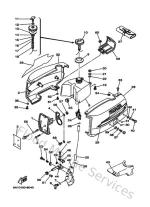
Cowling & Fuel
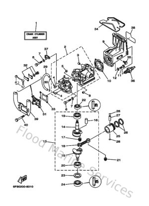
Cylinder & Crankcase
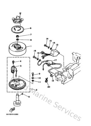
Generator
Lower Casing & Drive 1
Repair Kit 1
Starter
Upper Casing