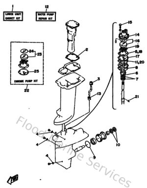
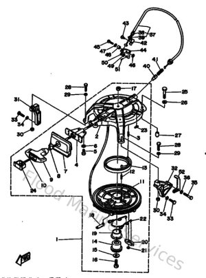
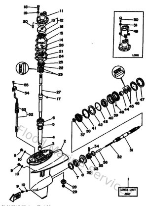
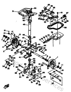
Diagram Sections: 30AMH (1992)

Download as PDF