New Search
Parts
New Outboards
Diagram Sections: 30DEO (1999)
Download as PDF
Bottom Cowling
Bracket 1
Bracket 2
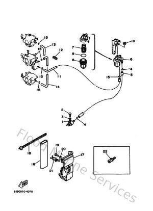
Carburetor
Control
Crankshaft & Piston
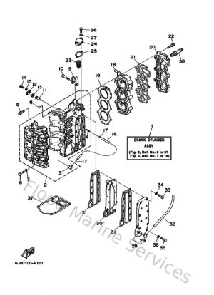
Cylinder & Crankcase
Electrical 1
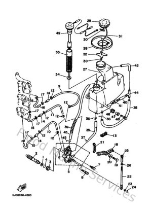
Fuel
Fuel 2
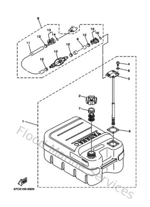
Fuel Tank
Generator
Intake
Lower Casing & Drive 1
Lower Casing & Drive 2
Oil Pump
Remo Con Attachment
Repair Kit 1
Repair Kit 2
Starter
Steering
Top Cowling
Upper Casing