Diagram Sections: 30DEO (2001)
Download as PDF-
Bottom Cowling
-
Bracket 1
-
Bracket 2
-
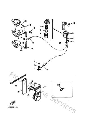
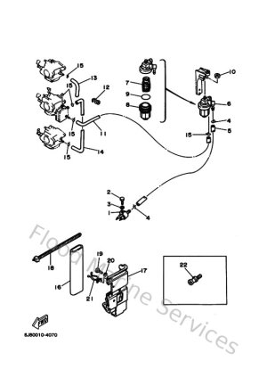
Carburetor
-
Control
-
Control 1
-
Control 2
-
Crankshaft & Piston
-
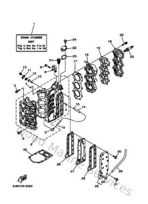
Cylinder & Crankcase
-
Electrical 1
-
Electrical 2
-
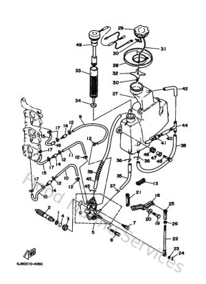
Fuel
-
Fuel 1
-
Fuel 2
-
Fuel Tank
-
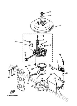
Generator
-
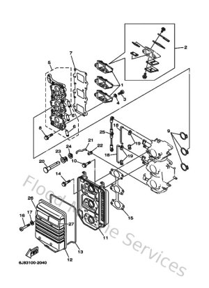
Intake
-
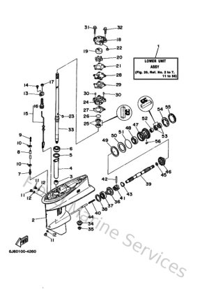
Lower Casing & Drive 1
-
Lower Casing & Drive 2
-
Oil Pump
-
Remo Con Attachment
-
Remote Control Assy
-
Remote Control Assy 1
-
Remote Control Box
-
Repair Kit 1
-
Repair Kit 2
-
Starter
-
Starting Motor
-
Steering Guide
-
Top Cowling
-
Upper Casing