Diagram Sections: 30DETO (1992)
Download as PDF-
Alternate 1
-
Alternate 2
-
Alternate 3
-
Alternate 4
-
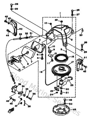
Bottom Cowling
-
Bracket 1
-
Bracket 2
-
Carburetor
-
Control
-
Crankshaft & Piston
-
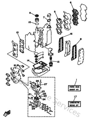
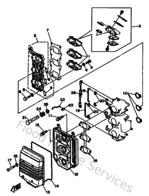
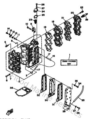
Cylinder & Crankcase
-
Electrical 1
-
Fuel
-
Intake
-
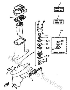
Lower Casing & Drive 1
-
Lower Casing & Drive 2
-
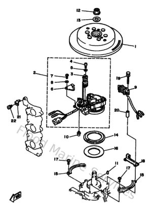
Magneto
-
Oil Pump
-
Optional Parts 1
-
Optional Parts 2
-
Optional Parts 3
-
Optional Parts 4
-
Remo Con Attachment
-
Remote Control
-
Remote Control Assy 1
-
Remote Control Assy 2
-
Repair Kit 1
-
Repair Kit 2
-
Starter
-
Steering
-
Steering Guide Attachment 1
-
Top Cowling
-
Upper Casing