New Search
Parts
New Outboards
Diagram Sections: 30DMH (1997)
Download as PDF
Bottom Cowling
Bracket 1
Bracket 2
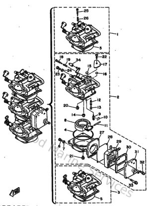
Carburetor
Control
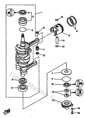
Crankshaft & Piston
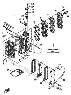
Cylinder & Crankcase
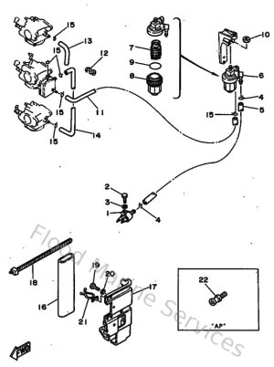
Fuel
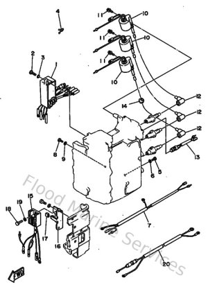
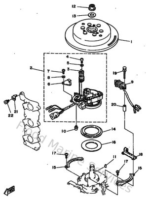
Generatrice
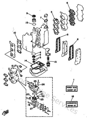
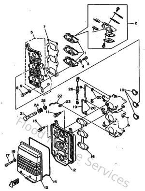
Intake
Kits De Reparation 1
Kits De Reparation 2
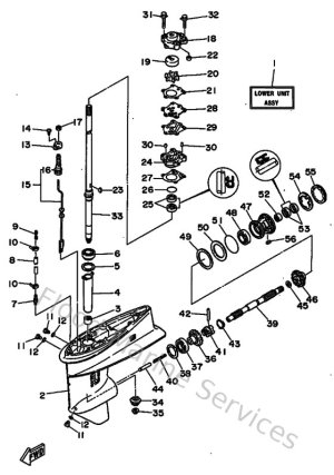
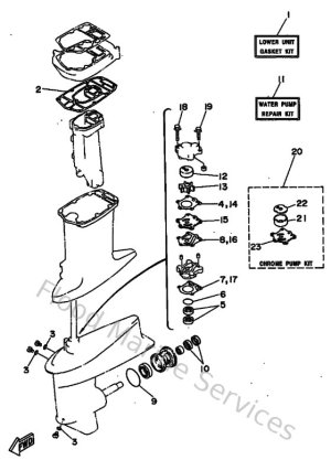
Lower Casing & Drive
Oil Pump
Optionnelles 1
Optionnelles 2
Partie Electrique 1
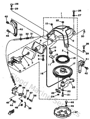
Starter
Steering
Top Cowling
Upper Casing