Diagram Sections: 30DMHO (1988)
Download as PDF-
Alternate 1
-
Alternate 2
-
Alternate 3
-
Alternate 4
-
Bottom Cowling
-
Bracket 1
-
Bracket 2
-
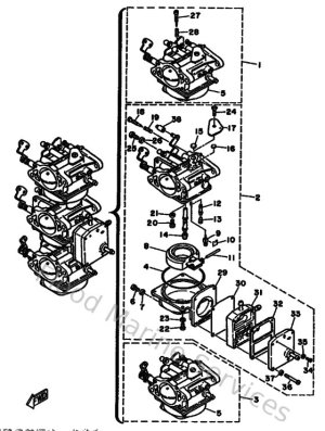
Carburetor
-
Control
-
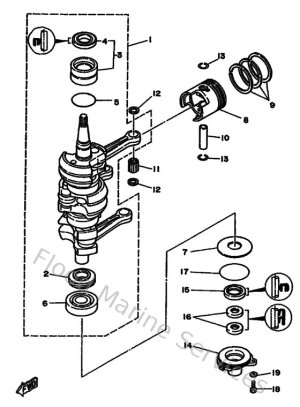
Crankshaft & Piston
-
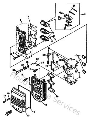
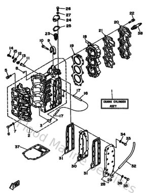
Cylinder & Crankcase
-
Electrical 1
-
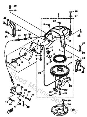
Fuel
-
Intake
-
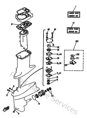
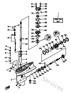
Lower Casing & Drive 1
-
Lower Casing & Drive 2
-
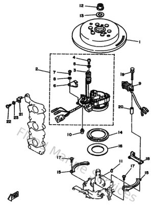
Magneto
-
Oil Pump
-
Optional Parts 1
-
Optional Parts 2
-
Optional Parts 3
-
Optional Parts 4
-
Remo Con Attachment
-
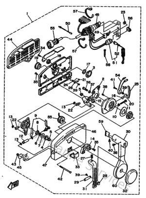
Remote Control
-
Remote Control Assy 1
-
Remote Control Assy 2
-
Repair Kit 1
-
Repair Kit 2
-
Starter
-
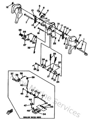
Steering
-
Steering Guide Attachment 1
-
Top Cowling
-
Upper Casing