Diagram Sections: 30GMH (1998)
Download as PDF-
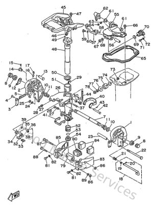
Alternate 1 (ST. MOTOR:25VWC/30GW(C))
-
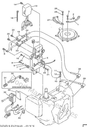
Alternate 2 (ELECTRICAL:25VWC/30GW(C))
-
Alternate 3 (SHALOW WATER DRIVE)
-
Boitier Dhelice, Transmissio
-
Bracket 1
-
Capot Infprieur
-
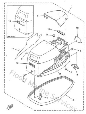
Capot Supprieur
-
Carburetor
-
Controle
-
Crankshaft & Piston
-
Cylinder. Crankcase
-
Electrical 1
-
Fuel
-
Generator
-
Intake
-
Repair Kit 1
-
Repair Kit 2
-
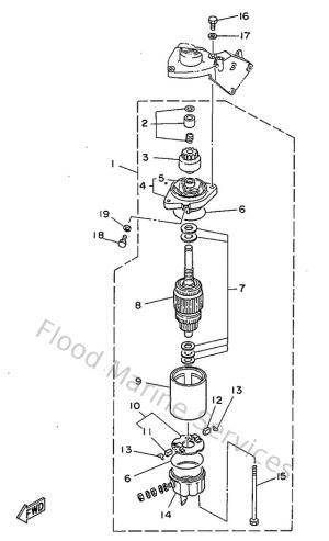
Starter
-
Steering
-
Upper Casing