New Search
Parts
New Outboards
Diagram Sections: 30GMH (2001)
Download as PDF
Bottom Cowling
Bracket 1
Bracket 2
Carburetor
Control 1
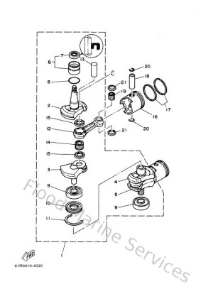
Crankshaft & Piston
Cylinder. Crankcase
Electrical 1
Fuel
Fuel Tank 2
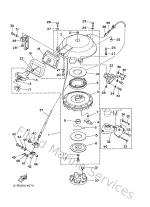
Generator
Intake
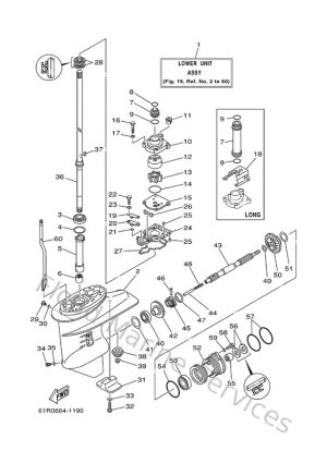
Lower Casing. Drive 1
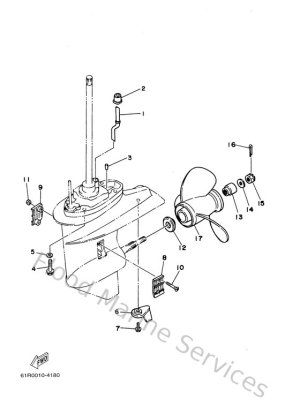
Lower Casing. Drive 2
Repair Kit 1
Repair Kit 2
Starter
Steering
Top Cowling
Upper Casing