New Search
Parts
New Outboards
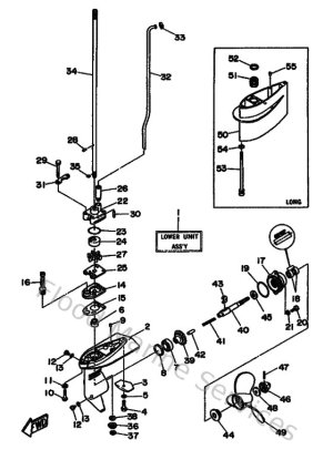
Diagram Sections: 3AMH (1990)
Download as PDF
Control
Cowling & Fuel
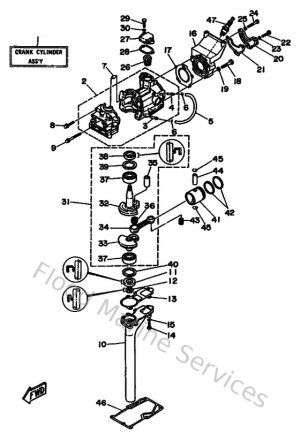
Cylinder & Crankcase
Electrical 1
Generator
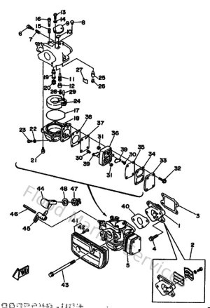
Intake
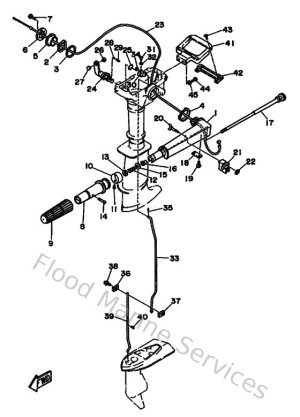
Lower Casing & Drive 1
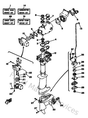
Repair Kit
Starter
Upper Casing & Bracket