New Search
Parts
New Outboards
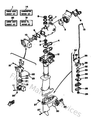
Diagram Sections: 3AMH (1993)
Download as PDF
Control
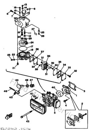
Cowling & Fuel
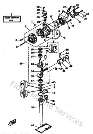
Cylinder & Crankcase
Electrical 1
Generator
Intake
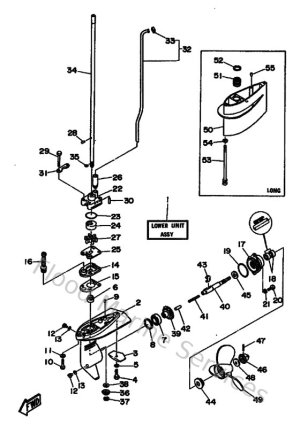
Lower Casing & Drive 1
Repair Kit
Starter
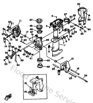
Upper Casing & Bracket