New Search
Parts
New Outboards
Diagram Sections: 3AMH (1994)
Download as PDF
Control
Cowling & Fuel
Cylinder & Crankcase
Generator
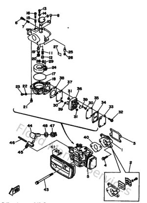
Intake
Kits De Reparation
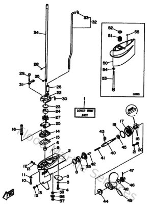
Lower Casing & Drive
Pieces Electrique
Starter
Upper Casing & Bracket