Diagram Sections: 40HM (1987)
Download as PDF-
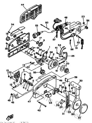
Bottom Cowling
-
Bracket
-
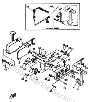
Bracket 1
-
Bracket 2
-
Carburetor
-
Control
-
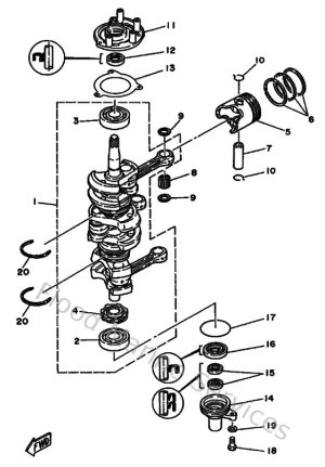
Crankshaft & Piston
-
Cylinder & Crankcase
-
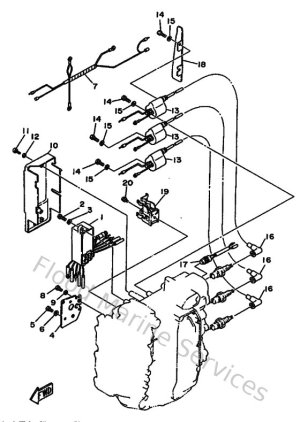
Electric Motor
-
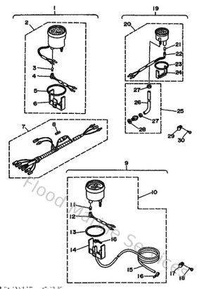
Electric Parts
-
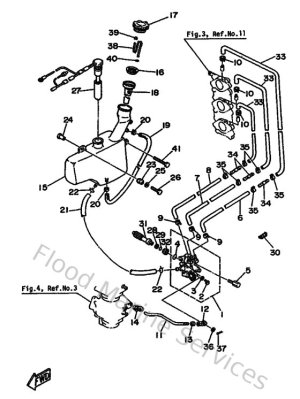
Fuel 1
-
Fuel 2
-
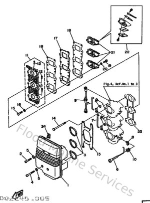
Intake
-
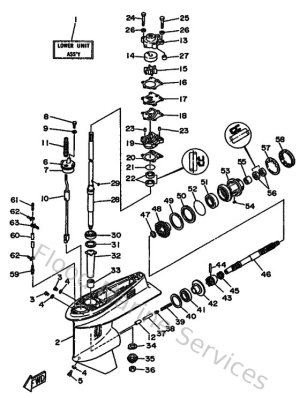
Lower Casing & Drive 1
-
Lower Casing & Drive 2
-
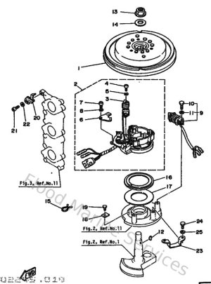
Magneto
-
Oil Pump
-
Optional Parts 1
-
Optional Parts 2
-
Optional Parts 3
-
Optional Parts 4
-
Optional Parts 5
-
Power Tilt Assy
-
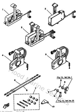
Remote Control
-
Remote Control Assy 1
-
Remote Control Assy 2
-
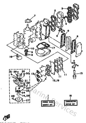
Repair Kit 1
-
Repair Kit 2
-
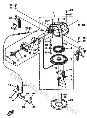
Starter
-
Steering
-
Steering Guide
-
Top Cowling
-
Upper Casing