Diagram Sections: 40QMH (1990)
Download as PDF-
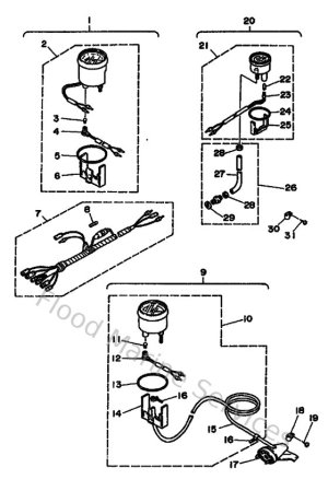
Allumage Electronique
-
Bottom Cowling
-
Bracket 1
-
Bracket 2
-
Carburetor
-
Control
-
Crankshaft & Piston
-
Cylinder & Crankcase
-
Fuel 1
-
Fuel 2
-
Intake
-
Kits De Reparation 1
-
Kits De Reparation 2
-
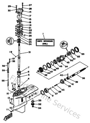
Lower Casing & Drive
-
Partie Electrique 1
-
Pieces Optionnelles 1
-
Pieces Optionnelles 2
-
Pieces Optionnelles 3
-
Starter
-
Steering
-
Top Cowling
-
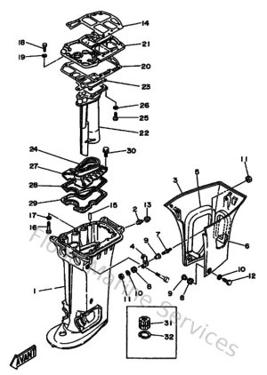
Upper Casing