New Search
Parts
New Outboards
Diagram Sections: 40QMH (1996)
Download as PDF
Bottom Cowling
Bracket 1
Bracket 2
Carburetor
Control
Crankshaft & Piston
Cylinder & Crankcase
Demarreur Electrique
Fuel 1
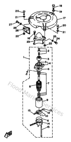
Generator
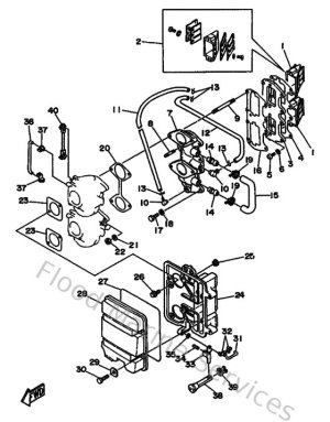
Intake
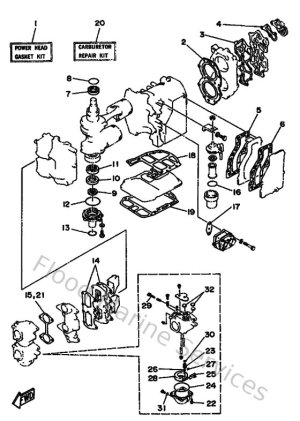
Kits De Reparation 1
Kits De Reparation 2
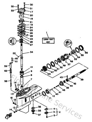
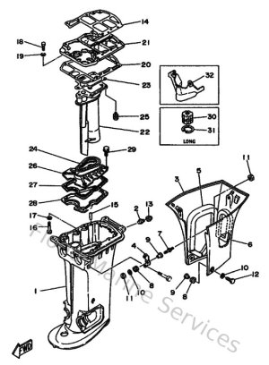
Lower Casing & Drive
Partie Electrique 1
Partie Electrique 2
Starter
Steering
Top Cowling
Upper Casing