New Search
Parts
New Outboards
Diagram Sections: 40QMH (1997)
Download as PDF
Bottom Cowling
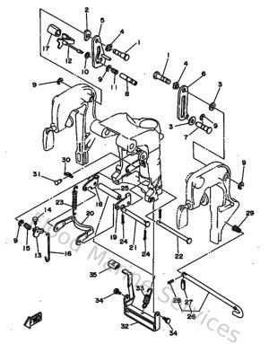
Bracket 1
Bracket 2
Carburetor
Control
Crankshaft & Piston
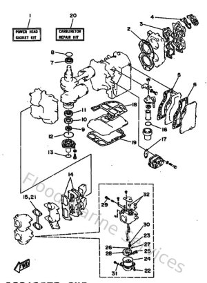
Cylinder & Crankcase
Demarreur Electrique
Fuel
Generatrice
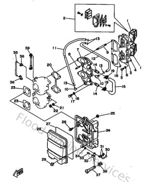
Intake
Kits De Reparation 1
Kits De Reparation 2
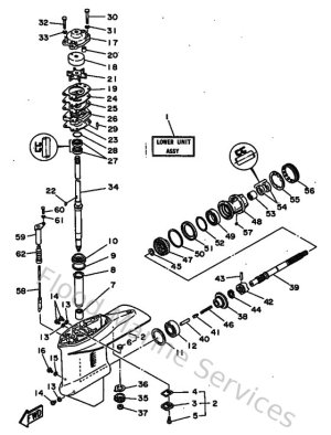
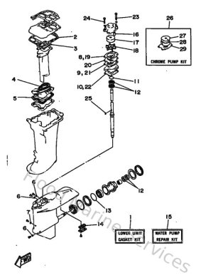
Lower Casing & Drive
Partie Electrique 1
Partie Electrique 2
Starter
Steering
Top Cowling
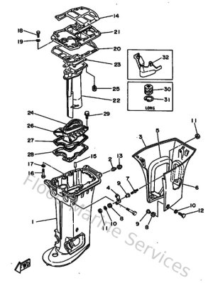
Upper Casing