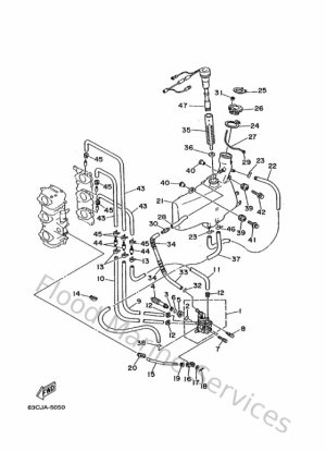
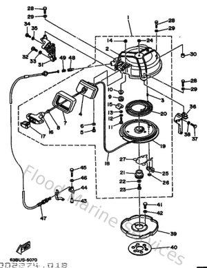
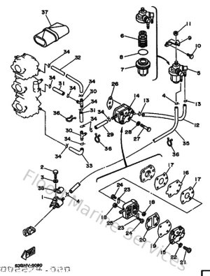
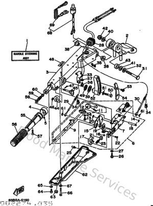
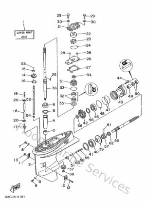
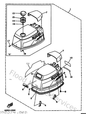
Diagram Sections: 40VMO (1995)

Download as PDF