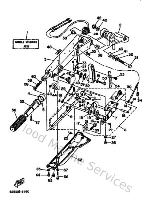
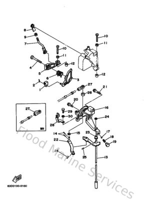
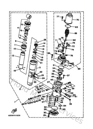
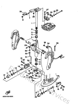
Diagram Sections: 40VMO (1997)

Download as PDF