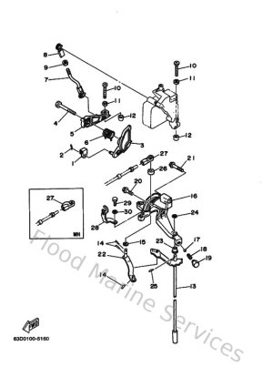
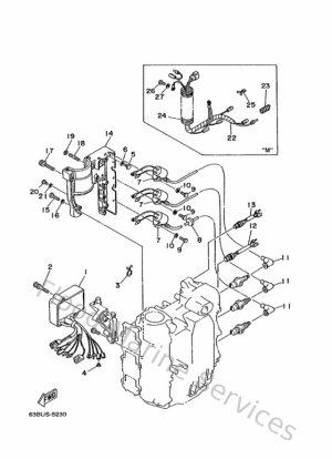
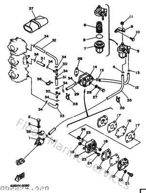
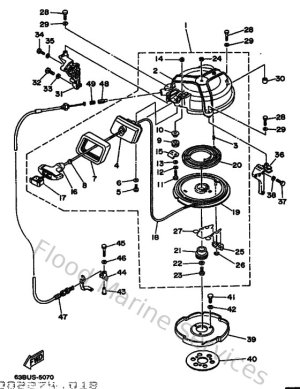
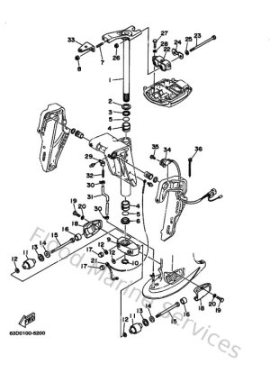
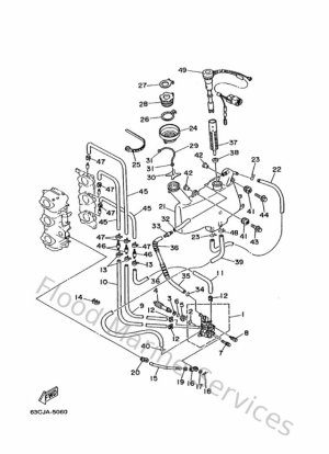
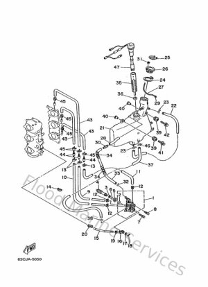
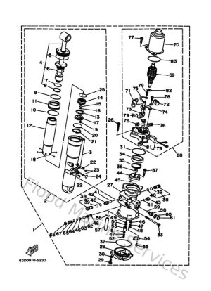
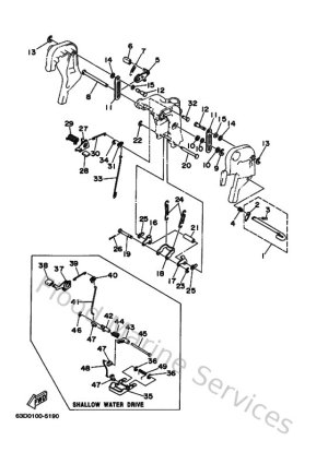
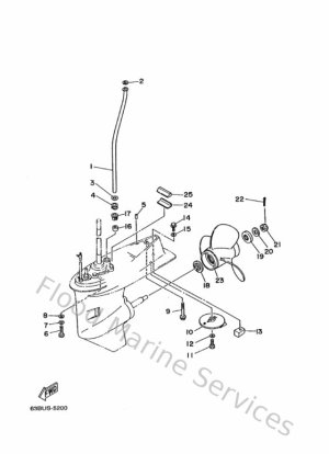
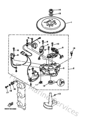
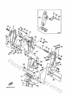
Diagram Sections: 40VMO (1998)

Download as PDF