New Search
Parts
New Outboards
Diagram Sections: 4ACMH (1986)
Download as PDF
Control
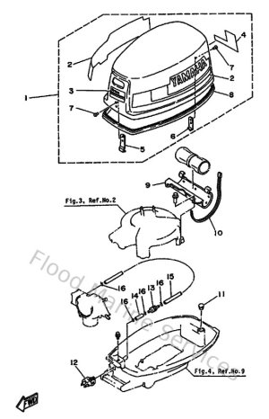
Cowling
Cowling & Fuel
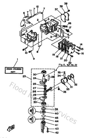
Cylinder & Crankcase
Electric Parts
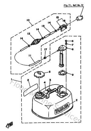
Fuel
Intake
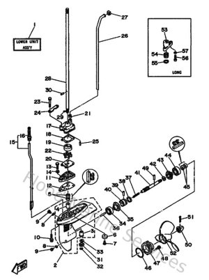
Lower Casing & Drive
Magneto
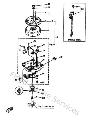
Optional Parts
Repair Kit
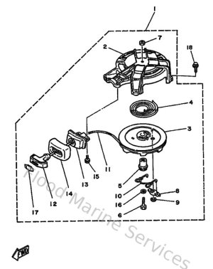
Starter
Upper Casing & Bracket