New Search
Parts
New Outboards
Diagram Sections: 4ACMH (1990)
Download as PDF
Alternate 1
Alternate 2
Control
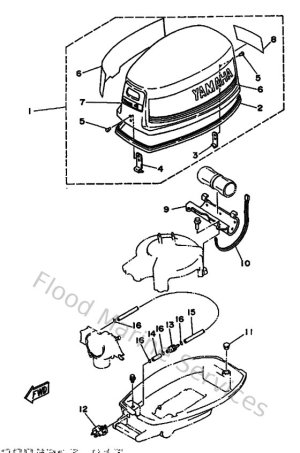
Cowling & Fuel
Cylinder & Crankcase
Electrical 1
Generator
Intake
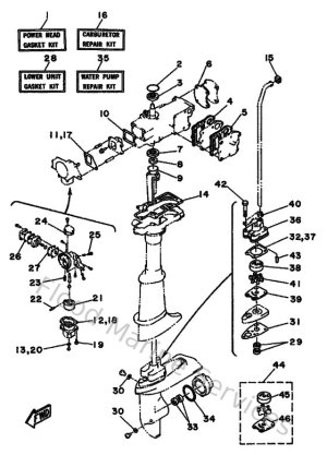
Lower Casing & Drive 1
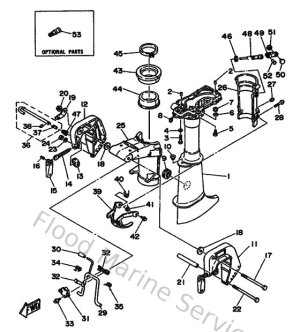
Optional Parts 1
Repair Kit
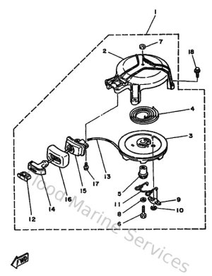
Starter
Upper Casing & Bracket