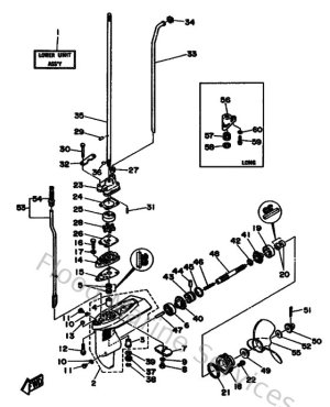
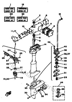
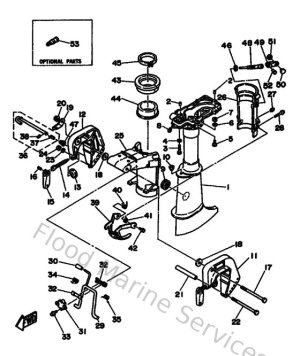
Diagram Sections: 4ACMH (1992)

Download as PDF