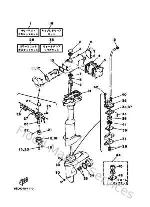
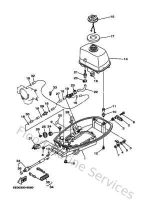
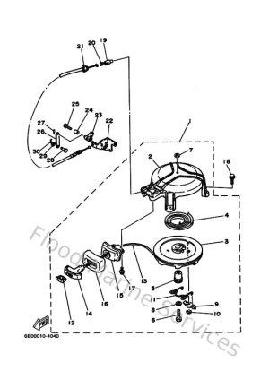
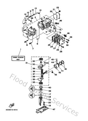
Diagram Sections: 4ACMH (1999)

Download as PDF