Diagram Sections: 50DEMTO (1985)
Download as PDF-
Bottom Cowling
-
Bracket 1
-
Bracket 2
-
Carburetor
-
Control
-
Crankshaft & Piston
-
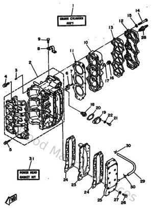
Cylinder & Crankcase
-
Electric Motor
-
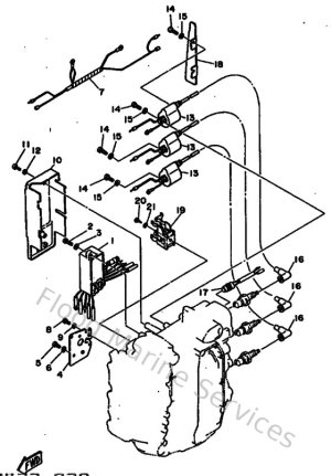
Electric Parts 2
-
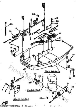
Electrical 1
-
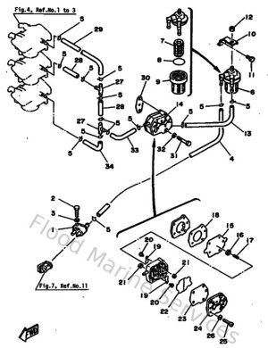
Fuel 1
-
Fuel 2
-
Intake
-
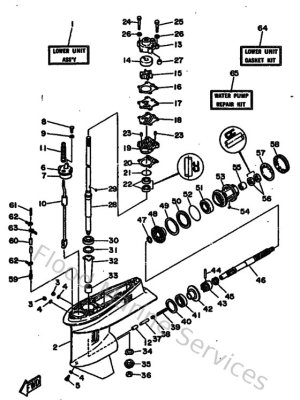
Lower Casing & Drive 1
-
Lower Casing & Drive 2
-
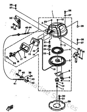
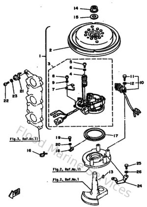
Magneto
-
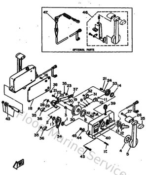
Optional Parts 1
-
Optional Parts 2
-
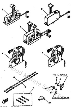
Optional Parts 3
-
Optional Parts 4
-
Power Tilt Assy
-
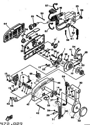
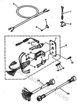
Remote Control
-
Remote Control Assy 1
-
Remote Control Assy 2
-
Repair Kit
-
Starter
-
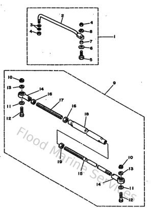
Steering Guide
-
Top Cowling
-
Upper Casing